网站首页
公司简介
产品展示
新闻中心
应用案例
销售网络
客户留言
联系我们
普通齿轮泵
多联齿轮泵
异形齿轮泵
多路阀
支撑阀
液压配件
液压站
动力单元
油压专用电动机
地 址: 淮安市清河区西安路18-7号
电 话: 0517-87130218
手 机: 13186642863(杨明普)
15312345711
税 号: 913208027833783833
帐 号: 淮安市农业银行淮海西路支行
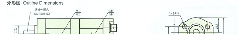
CB-E200/E200 系列双联齿轮泵
加入时间:2014-04-21 17:01:59 点击:863
【查看上一页】
【查看下一页】
关键词:
淮安齿轮泵
淮安恒流泵
淮安液压多路换向阀
淮安双向泵
淮安动力单元
版权所有:淮安市东方液压件厂(友益牌) 地址:淮安市清河区西安路18-7号 电话:0517-87130218 手机:13186642863 15312345711
网站备案号:苏ICP备11031686号-1
网站制作维护:
淮安网页制作
卓越凯欣